Розрізи при виконанні креслень предметів

Додано: 10 грудня 2024
Предмет: Креслення, 9 клас
24 запитання
Запитання 1

Якою лінією на креслені розділяють частину вигляду і частину розрізу?


варіанти відповідей

штриховою лінією                            

штрихпунктирною лінією

суцільною тонкою хвилястою

суцільною тонкою лінією

Запитання 2

За якою ознакою розрізи поділяють на вертикальні, горизонтальні й похилі?


варіанти відповідей

залежно від кількості уявних січних площин

залежно від положення предмета відносно площини проекції

залежно від площини проекції

залежно від розташування січної площини відносно площини проекції

Запитання 3

Чи треба заштриховувати на фронтальному розрізі даного предмета два трикутники, позначені стрілками?

варіанти відповідей

треба, тому що січна площина перетинає їх

ні, тому що січна площина проходить поза ними

ні, тому що січна площина проходить перед ними

ні, тому що це тонка стінка (ребро жорсткості) і січна площина проходить вздовж неї

Запитання 4

Як виконують штриховку фігури перерізу що входить до розрізу?

варіанти відповідей

суцільними тонкими вертикальними лініями

суцільними тонкими лініями, під кутом 60º

суцільними тонкими лініями, під кутом 45º

суцільними тонкими лініями, під кутом 30º

Запитання 5

Яка частина предмета уявно видаляється під час виконання розрізу?

варіанти відповідей

частина предмета що знаходиться в січній площині

задня частина

частина предмета, яка знаходиться перед січною площиною

частина предмета, яка знаходиться за січною площиною

Запитання 6

Розріз, утворений внаслідок перетину предмета однією січною площиною називають…


варіанти відповідей

простим                           

поперечним

ламаним                           

складним

Запитання 7

Чим відрізняється простий розріз від складного?

варіанти відповідей

кількістю січних площин          

способом виконання розрізу

положенням січної площини

формою утвореної фігури перерізу

Запитання 8

Яке зображення містить розріз?

варіанти відповідей

зображення, що знаходиться в січній площині і перед нею

зображення, що знаходиться в січній площині і за нею

зображення що знаходиться в січній площині

зображення, що знаходиться за січною площиною

Запитання 9

Яке умовне графічне позначення на розрізах відповідає неметалевим матеріалам?


варіанти відповідей
Запитання 10

Яке зображення називається розрізом?


варіанти відповідей

зображення предмета, уявно розсіченого січною площиною

зображення фігури, утвореної уявним перерізуванням предмета січною площиною

зображення предмета, розміщеного на фронтальній площині проекції

зображення предмета з внутрішніми порожнинами

Запитання 11

Які розрізи належать до складних?

варіанти відповідей

ламаний, ступінчастий              

ламаний, поперечний

повздовжній, фронтальний                    

похилий, поперечний

Запитання 12

Якою лінією вказують положення січної площини на кресленнях під час виконання розрізів?


варіанти відповідей

штрихпунктирною

розімкнутою потовщеною лінією із стрілками

суцільною тонкою                                  

суцільною товстою

Запитання 13

Якою площиною перетинають предмет, щоб одержати розріз?


варіанти відповідей

вертикальною площиною

площиною розрізу

горизонтальною площиною

січною площиною

Запитання 14

Щоб показати на кресленнях внутрішню будову предмета в окремих обмежених місцях, застосовують…


варіанти відповідей

простий розріз                            

місцевий розріз

ступінчастий розріз                     

похилий розріз

Запитання 15

Яке із зображень деталі відповідає даному розрізу?

варіанти відповідей
Запитання 16

Як називається даний розріз?

варіанти відповідей

простий горизонтальний

простий фронтальний

складний ступінчастий

простий профільний

Запитання 17

Виберіть правильне твердження

варіанти відповідей

розріз є частиною перерізу

переріз є частиною розрізу

переріз та розріз не можуть мати спільного розсічення

Запитання 18

Виберіть правильне твердження

варіанти відповідей

простий розріз утворюється уявним розсіченням двох і більше площин

простий розріз утворюється уявним розсіченням однієї площини

простий розріз - це не розсічення площини, а вигляд

Запитання 19

Види простих розрізів:

варіанти відповідей

вертикальний, горизонтальний, похилий, місцевий

ступінчастий, місцевий, похилий

ламаний, горизонтальний, вертикальний

Запитання 20

Які показано розрізи?

варіанти відповідей

вертикальні

горизонтальні

похилі

Запитання 21

Розріз - це ...

варіанти відповідей

зображення фігури, утвореної уявним розсіканням предмета січною площиною;

зображення предмета з головним виглядом і перерізом;

зображення предмета, розсіченого під кутом 45 до площини проєкцій

Запитання 22

Де розташовують профільний розріз?

варіанти відповідей

на місці вигляду спереду;

на місці головного вигляду;

на місці вигляду зліва

Запитання 23

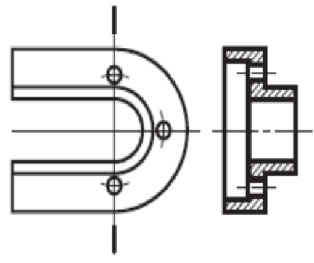
Як називається даний розріз?

варіанти відповідей

простий горизонтальний

простий фронтальний

складний ступінчастий

простий профільний

Запитання 24

Як називається даний розріз?

варіанти відповідей

простий горизонтальний

простий фронтальний

складний ступінчастий

простий профільний

Створюйте онлайн-тести
для контролю знань і залучення учнів
до активної роботи у класі та вдома

Створити тест