Тема: Трансмісія автомобіля, ходова частина автомобіля

Додано: 27 квітня 2025
Предмет: , 11 клас
15 запитань
Запитання 1

1. Ремонт при якому виконується відновлення роботи автомобіля (агрегату) та включає заміну або відновлення окремих частин називається…

варіанти відповідей

капітальний

сезонний

поточний

плановий

Запитання 2

2. Автомобіль після капітального ремонту повинен мати ресурс не менше…

варіанти відповідей

60% нового

90% нового

70% нового

80% нового

Запитання 3

3. За яким принципом діє зчеплення?

варіанти відповідей

на використанні сили тертя        

на використанні відцентрових сил   

на використанні інерційних сил

на використанні магнітної сили

Запитання 4

4. В якому положенні знаходиться зчеплення, якщо автомобіль не рухається, а водій не натискає педаль зчеплення?

варіанти відповідей

у нейтральному положенні 

зчеплення вимкнено

у вільному положенні

 зчеплення увімкнено

Запитання 5

5.Який вал коробки передач приводиться до обертання від веденого диска зчеплення?

варіанти відповідей

вторинний

проміжний

первинний

вал-шестерня

Запитання 6

6. Використання синхронізаторів у коробках передач автомобілів дозволяє?

варіанти відповідей

вирівняти кутові швидкості зубчастих коліс при включенні передачі

збільшити крутний момент під час включення передач

 всі варіанти перелічені вище

 вирівняти крутний момент під час включення передач


Запитання 7

7. Карданна передача автомобіля передає крутний момент від коробки передач або роздавальної коробки до ведучих мостів...

варіанти відповідей

при змінному куті та змінній відстані між ними під час руху

 при постійному куті та змінній відстані між ними під час руху

при змінному куті та нерівності доріг під час руху

Запитання 8

8. Рама, як окремий вузол застосовується переважно на...

варіанти відповідей

легкових автомобілях  

вантажних автомобілях

 мікроавтобусах  

всі варіанти перелічені вище

Запитання 9

9. Яке балансування коліс більш точне?

варіанти відповідей

 безважкове   

статичне

динамічне

лінійне  

Запитання 10

10.Коробка передач застосовується з метою ...

варіанти відповідей

зменшення частоти обертання ведучих коліс при будь-яких швидкісних режимах руху автомобіля

збільшення крутного моменту на ведучих колесах при русі

автомобіля з будь-якою швидкістю

 зміни значення крутного моменту на ведучих колесах

виконання всіх перерахованих функцій

Запитання 11

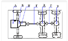
11. Якою позицією на малюнку позначена головна передача і диференціал ?

варіанти відповідей

Позиція 1.

Позиція 2.

Позиція 3.

Позиція 5.

Позиція 4.

Запитання 12

12. Якою позицією на малюнку позначений задній ведучий міст ?

варіанти відповідей

Позиція А.

Позиція Б.

 Позиція З.

Позиція В.

Запитання 13

13. Підвіска автомобіля призначена для...

варіанти відповідей

забезпечення пружного зв'язку між колесами і кузовом автомобіля за рахунок сил тертя

забезпечення пружного зв'язку між колесами і кузовом автомобіля за рахунок сприйняття діючих сил і гасіння коливань

 підвішування автомобіля під час обслуговування

 забезпечення жорсткого зв'язку між колесами і кузовом автомобіля

Запитання 14

14. Гасильний пристрій (амортизатор) призначений для

варіанти відповідей

зручності керування автомобілем

збільшення кліренсу автомобіля

зменшення навантаження на рульове колесо

зменшення амплітуди коливань кузова автомобіля, викликаних роботою пружного елемента

Запитання 15

15.Назвіть основні причини несправностей підвіски

варіанти відповідей

якість дорожнього покриття

некваліфіковане проведення робіт по обслуговуванню і ремонту

усе назване може стати причиною виникнення несправностей підвіски

стиль водіння автомобіля

Створюйте онлайн-тести
для контролю знань і залучення учнів
до активної роботи у класі та вдома

Створити тест