вступ до фаху. Залік

Додано: 3 червня 2022
Предмет: Технології, 10 клас
Тест виконано: 43 рази
30 запитань
Запитання 1

теплообмінники це:

варіанти відповідей

прилади для передачі теплової енергії між теплоносіями

прилади для отримання концентрованих речовин

прилади для розділення складних сумішей на окремі компоненти

прилади для сушіння матеріалів

Запитання 2

поверхнею теплопередачі в пластинчастих теплообмінниках являється

варіанти відповідей

гофровані пластини

безпосередній контакт між теплоносіями

акумулюючі насадки

металеві пластини, скручені по спіралі

Запитання 3

теплообмінник, зображений на малюнку відноситься до типу:

варіанти відповідей

кожухотрубчастий

спіральний

пластинчастий

контактний

Запитання 4

теплообмінник відноситься до типу:

варіанти відповідей

спіральний

пластинчастий

кожухотрубчастий

контактний

Запитання 5

до допоміжного обладнання котельні відносять:

варіанти відповідей

котел

пароперегрівач

насосне обладнання

деаератор

Запитання 6

В котельних установках завдання прийому, розвантаження, зберігання, подавання і підготовки палива для спалення вирішує 

варіанти відповідей

паливне господарство котельної

складське господарство котельної

енергетичний відділ

адміністративний відділ

Запитання 7

що не відноситься до гідравлічних машин:

варіанти відповідей

насос

гідропередача

гідроциліндр

холодильник

Запитання 8

насос+ гідродвигун =

варіанти відповідей

гідропередача

гідравлічний насос

холодильна машина

сушильна установка

Запитання 9

установка, зображена на малюнку це:

варіанти відповідей

ректифікаційна колона

дистиляційна установка

теплообмінник

випарна установка

Запитання 10

схема, зображена на малюнку це:

варіанти відповідей

схема відведення конденсату

схема системи опалення

схема теплового пункту

схема роботи котельної установки

Запитання 11

установки, в яких з матеріалу видаляється зайва волога називаються:

варіанти відповідей

сушильні

випарні

ректифікаційні

теплообмінні

Запитання 12

схема роботи:

варіанти відповідей

теплового насосу

теплообмінника

котлоагрегату

гідравлічної машини

Запитання 13

зображена установка це:

варіанти відповідей

випалювальні печі

теплообмінники

ректифікаційні колони

випарні установки

Запитання 14

в сушильні печі теплоносієм являється:

варіанти відповідей

димові гази

електроенергія

суха пара

гаряче повітря

Запитання 15

зображення рельєфу на топографічних картах виконують за допомогою:

варіанти відповідей

горизонталей

берг-штрихів

кольору

умовних позначень

підписів

Запитання 16

постійні чи тимчасові знаки на місцевості, що вказують висоту точки відносно моря називають

варіанти відповідей

реперами

марками

кілочками

горизонтялями

Запитання 17

зображениий пристрій це:

варіанти відповідей

циклон

рукавний фільтр

випарний апарат

теплообмінник

Запитання 18

зображений пристрій це:

варіанти відповідей

газовий фільтр

рукавний фільтр

циклон

електрофільтр

Запитання 19

зображений газопилочиувальний апарат це:

варіанти відповідей

електофільтр

циклон

рукавний фільтр

мокрий фільтр

Запитання 20

впровадження правових, організаційних, наукових, виробничих, технічних і економічних заходів спрямованих на зменшення споживання електричної енергії споживачами і на збільшення частки енергії, що споживається від відновлювальних джерел енергії.це:

варіанти відповідей

енергозбереження

енергоефективність

відновлювальна енергетика

умовне паливо

Запитання 21

пристрій для перетворення малого зусилля в значне з використанням для передачі енергії будь якої рідини називається:

варіанти відповідей

гідросистемою

холодильною машиною

теплообмінним обладнанням

котельним обладнанням

Запитання 22

споруда, в якій здійснюється нагрів робочої рідини (теплоносія) для системи опалення або паропостачання, розташоване в одному технічному приміщенні.

варіанти відповідей

котельня установка

тепловий пункт

теплоелектроцентраль

газорегуляторний пункт

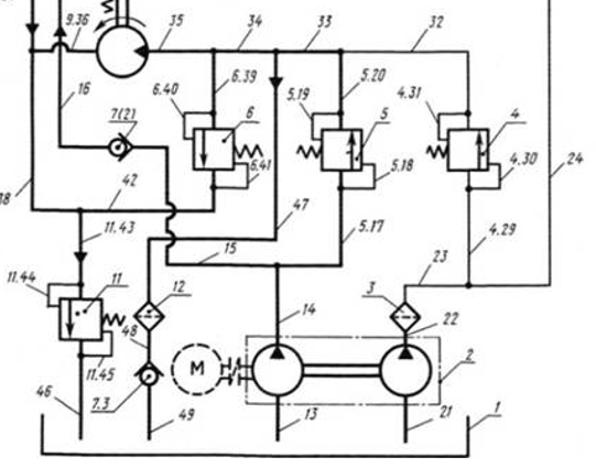
Запитання 23

зображена гідравлічна схема відноситься до типу:

варіанти відповідей

принципова

монтажна

структурна

схема сполучення

Запитання 24

нівеліри призначені

варіанти відповідей

для вимірювання кутів

для вимірювання перевищень між точками

для вимірювання довжин ліній

всі відповіді вірні

Запитання 25

дорожний курвиметр призначений:

варіанти відповідей

для вимірювання довжини ліній на місцевості

для вимірювання кутів

для вимірювання кривих ліній на карті

для вимірювань перевищень між точками

Запитання 26

Газорегуляторні пункти призначені:

варіанти відповідей

для зниження тиску газу

для очищення газу

для регулювання тиску

для одоризації

для підвищення тиску

для осушення газу

Запитання 27

попутними газами називають

варіанти відповідей

газ нафтових родовищ

газ конденсатних родовищ

штучний газгаз газових родовищ

Запитання 28

магістральний газопровід призначений

варіанти відповідей

для транспортування великої кількості газу до населених пунктів та підприємств

для підведення газу по місту

для підведення газу до будинків

для розподілу газу по будинку

Запитання 29

що це за схеми?

варіанти відповідей

схеми розподілу газу по споживачам

схеми системи опалення

теплові схеми

гідравлічні схеми

Запитання 30

хімводоочищення включає такі процеси

варіанти відповідей

регенерація

помякшення

механічне очищення

одоризацію

обеззалізення

Створюйте онлайн-тести
для контролю знань і залучення учнів
до активної роботи у класі та вдома

Створити тест