Вступ до графічної грамоти (креслення)

Додано: 12 січня
Предмет: Креслення, 8 клас
11 запитань
Запитання 1

В яких одиницях виміру виконують кресленники і проставляють розміри ?

варіанти відповідей

Сантиметрах

Міліметрах

Метрах

Дециметрах

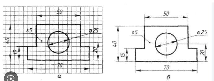
Запитання 2

На якому зображенні показано ескіз ?

варіанти відповідей

а

б

а та б

правильної відповіді немає

Запитання 3

Що означає знак , який на зображенні розміру кола показаний стрілочкою

варіанти відповідей

Радіус кола

Даметр кола

І радіус і діаметр кола

Правильної відповіді немає

Запитання 4

Якою літерою в кресленні позначають товщину деталі ?

варіанти відповідей

S

L

D

F

Запитання 5

Які креслярські інструменти використовують для побудови кресленників?

варіанти відповідей

Лінійка

Олівець

Циркуль

Транспортир

Косинець

Запитання 6

Які розміри використовують в кресленні ?

варіанти відповідей

Лінійні розміри

Кутові розміри

Розміри округлих частин

Розміри заокруглених частин

Запитання 7

Чому дорівнюють габаритні розміри предмета ?

варіанти відповідей

50х60 мм.

50х15 мм

60х15 мм

15х15 мм

Запитання 8

Що означає розмірний знак , нанесений перед числом 30?(вказаний стрілочкою на кресленнику)

варіанти відповідей

Вказує на те, що предмет прямокутної форми

Вказує на те, що предмет квадратної форми

Вказує на те, що предмет круглої форми

Вказує на те, що предмет довільної форми

Запитання 9

На яких зображеннях правильно нанесено розмірні числа? 

варіанти відповідей

А та В

Б та Г

В та Г

Б та В

Запитання 10

Який елемент являється зайвим і не належить наочному зображенню?  


варіанти відповідей

а

б

в

г

Запитання 11

Яку форму має показана на графічному зображенні деталь? 

варіанти відповідей

Циліндричну

Конічну

Плоску

Призматичну

Створюйте онлайн-тести
для контролю знань і залучення учнів
до активної роботи у класі та вдома

Створити тест