Будова,обслуговування, ремонт КТЗ ( трансмісія, коробка передач, система мащення, система живлення дизельного двигуна)

Додано: 2 березня 2025
Предмет: , 10 клас
12 запитань
Запитання 1

1. Яке призначення коробки передач?

варіанти відповідей

Забезпечує короткочасне відокремлення двигуна від трансмісії, потрібне для перемикання передачі. зупинки та плавного їх з`єднання

Забезпечує зміну швидкості руху і тягового зусилля, задній хід трактора, тривале від`єднання двигуна від трансмісії

Розподіляє крутний момент між ведучими колесами та забезпечує їх обертання з різною швидкістю на поворотах та на нерівній дорозі

Запитання 2

2. Який агрегат трансмісії передає крутний момент під прямим кутом, збільшує тягове зусилля, зменшує швидкість?

варіанти відповідей

зчеплення

головна передача

карданна передача

 диференціал

Запитання 3

3. Який агрегат трансмісії дає можливість ведучим колесам при повороті обертатися з різною швидкістю?

варіанти відповідей

зчеплення

головна передача

диференціал

карданна передача

Запитання 4

4. Зчеплення призначене:

варіанти відповідей

для короткочасного роз'єднання двигуна і трансмісії при перемиканні передач

для плавного рушання з місця

для передачі крутного моменту від двигуна до трансмісії

 вірно все вище сказане

Запитання 5

5. Трансмісія не включає в себе:

варіанти відповідей

коробку передач 

карданну передачу

рульове керування

 зчеплення

Запитання 6

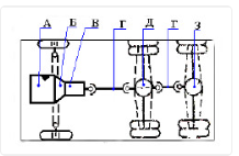
6. Якою позицією на малюнку позначені карданні вали? 

варіанти відповідей

Позиція А

Позиція В

Позиція Г

Позиція Б

Запитання 7

7. Якою позицією на малюнку позначений задній ведучий міст ?

варіанти відповідей

Позиція Б

Позиція З

 Позиція В

Позиція А

Запитання 8

8. На якому малюнку зчеплення ввімкнене?

варіанти відповідей

Позиція А

Позиція Б

Запитання 9

9. Які основні несправності, які викликають димний випуск відпрацюваних газів в системі живлення дизельного двигуна?

варіанти відповідей

 багато палива або засмічений повітряний фільтр ( чорний дим)

потрапляння масла в паливо або в циліндри двигуна ( білий дим)

потрапляння води в паливо або в циліндри двигуна ( синій дим)

Запитання 10

10. Система мащення призначена ...

варіанти відповідей

 для подачі моторної (мастильної) оливи у зони тертя

для зменшення тертя між спряженими деталями двигуна внутрішнього згоряння (ДВЗ) шляхом подачі моторної (мастильної) оливи у зони тертя

Запитання 11

11. Склад кривошипно-шатунного механізму

варіанти відповідей

колінвал, маховик, поршень, шатуни, кільця

блок циліндрів, головка блока, колінвал, маховик

колінвал, штовхачі, коромисла, поршні, кільця, шатуни, маховик

блок циліндрів, головка блока, колінвал, маховик, шатуни, поршні, поршневі кільця,поршневі пальці, вкладиші

Запитання 12

12. Періодичність виконання ТО автомобілів найбільш практично і зручно виконувати по:

варіанти відповідей

пробігу автомобіля

напрацювання

за кількістю палива

мотогодин

Створюйте онлайн-тести
для контролю знань і залучення учнів
до активної роботи у класі та вдома

Створити тест