Самостійна робота з теми «Електричний опір. Закон Ома»

Додано: 24 лютого 2025
Предмет: Фізика, 8 клас
8 запитань
Запитання 1

Сила струму в провіднику

варіанти відповідей

Не залежить від напруги на кінцях провідника 

Обернено пропорційна напрузі на кінцях провідника 

Прямо пропорційна напрузі на кінцях провідника 

Запитання 2

Які величини характеризують будь-яке електричне коло?

варіанти відповідей

Сила струму, напруга, довжина провідника 

Сила струму, робота струму, опір 

Сила струму, напруга, опір 

Запитання 3

Яка формула виражає закон Ома для ділянки кола?

варіанти відповідей

R=U ∕ I

I=U ∕ R

U=IR

Запитання 4

На рисунку подано шкалу вимірювального приладу. Визначте ціну поділки шкали та показ цього приладу. 

варіанти відповідей

1,4 В

1 В

Запитання 5

Чому дорівнює опір нагрівального елементу чайника, якщо напруга електромережі 220 В, а сила струму в нагрівальному елементі 10 А?

варіанти відповідей

22 Ом

0,04 Ом

230 Ом

Запитання 6

Опір резистора 5000 Ом, сила струму в резисторі 0,01 А. Чому дорівнює напруга на резисторі? 

варіанти відповідей

50 В

500000 В

Запитання 7

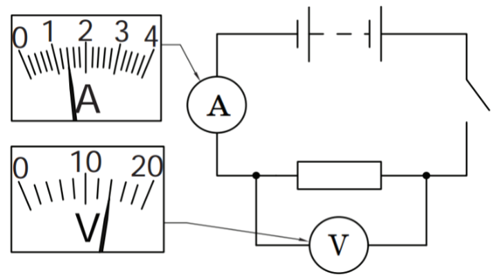
Скориставшись показами приладів, зображених на рисунку, визначте опір резистора.

варіанти відповідей

10 Ом 

19,6 Ом

Запитання 8

Через провідник, на кінцях якого напруга 24 В за 15 хв пройшов електричний заряд 90 Кл. Який опір провідника? (Хвилини переведи в секунди)

варіанти відповідей

240 Ом

4 Ом

Створюйте онлайн-тести
для контролю знань і залучення учнів
до активної роботи у класі та вдома

Створити тест