Закон Ома. Послідовне з'єднання

Додано: 22 квітня
Предмет: Фізика, 8 клас
45 запитань
Запитання 1

Оберіть математичний запис Закону Ома.

варіанти відповідей

U=I⋅R

I=U/R

R=U/I

R=ρ⋅l/S (l - довжина провідника)

Запитання 2

Опір провідника 5 Ом. Чому дорівнює сила струму в провіднику, якщо напруга становить 20 В?

варіанти відповідей

4 А

100 А

4 В

4 Ом

Запитання 3

При послідовному з'єднанні провідників загальна напруга в колі визначається за законом ...

варіанти відповідей

U=U1+U2+...+Un

U=U1=U2=...=Un

U=1/U1+1/U2+...+1/Un

U=1/U1=1/U2=...=1/Un

Запитання 4

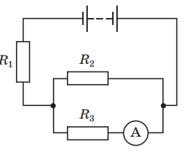
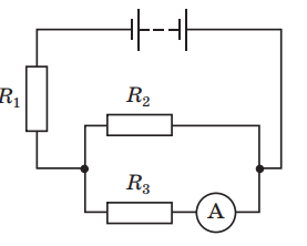
Використовуючи малюнок, визначте тип з'єднання та загальний опір кола.

варіанти відповідей

Послідовне, 200 Ом

Паралельне, 400 Ом

Послідовне, 300 Ом

Паралельне, 20000 Ом

Запитання 5

Чому дорівнює опір за послідовного з'єднання?

варіанти відповідей

R = R1 = R2 =... = Rn

R = R1 + R2 + ... + Rn

R = R1 ∙ R2 ∙ ... ∙ Rn

R = R1 + R2 - ... + Rn

Запитання 6

Визначте загальний опір за послідовного з'єднання провідників, якщо R1 = 3 Ом, R2 = 8 Ом, R3 = 1 Ом.

варіанти відповідей

11 Ом

9 Ом

10 Ом

12 Ом

Запитання 7

Дві лампочки опорами 3 Ом і 7 Ом з'єднані послідовно. Сила струму на першій лампочці дорівнює 1,5 А. Яка сила струму на другій ділянці?

варіанти відповідей

1,5 А

15 А

4,5 А

10,5 А

Запитання 8

За графіком обчисліть опір ділянки кола

варіанти відповідей

0,25 Ом

3,5 Ом

14 Ом

4 Ом

Запитання 9

Опір якого провідника найбільший

варіанти відповідей

1

2

3

не можна визначити

Запитання 10

За показами приладів знайдіть ціну поділки амперметра

варіанти відповідей

0,5 А

1 А

8 А

10 А

Запитання 11

На якому рисунку вольтметр підключено правильно?

варіанти відповідей
Запитання 12

Силу струму вимірюють

варіанти відповідей

амперметром

вольтметром

омметром

реостатом

Запитання 13

Сила струму - це ...

варіанти відповідей

явище впорядкованого руху заряджених частинок

фізична величина, що характеризує електричний струм і дорівнює заряду, що проходить через провідник за одиницю часу

напрямлений рух заряджених частинок

заряджені частинки, що проходять через поперечний переріз провідника

Запитання 14

Силу струму визначають за формулою ...

варіанти відповідей

U =A/q

R=ρ0 l/s

I= q/t

I=U⋅R

Запитання 15

Силу струму в системі одиниць СІ вимірюють в

варіанти відповідей

Вольтах

Омах

Амперах

Джоулях

Запитання 16

Електрична напруга - це ...

варіанти відповідей

фізична величина, яка дорівнює роботі електричного поля з переміщення одиничного позитивного заряду

фізична величина, яка дорівнює роботі електричного поля з переміщення одиничного негативного заряду

фізична величина, яка дорівнює заряду, що протікає через поперечний переріз провідника за одиницю часу

фізична величина, яка дорівнює відношенню сили струму до опору, провідника за одиницю часу

Запитання 17

Електричну напругу вимірюють

варіанти відповідей

амперметром

вольтметром

реостатом

динамометром

Запитання 18

Опір провідників залежить від

варіанти відповідей

сили струму і площі поперечного перерізу провідника

напруги, довжини і площі поперечного перерізу провідника

роду речовини, довжини і площі поперечного перерізу провідника

напруги і сили струму

Запитання 19

Закон Ома для ділянки кола :

варіанти відповідей

Сила струму прямо пропорційна опору провідника і обернено пропорційна напрузі на його кінцях

Сила струму прямо пропорційна напрузі на кінцях провідника і обернено пропорційна його опору

Напруга прямо пропорційна опору провідника і обернено пропорційна напрузі на його кінцях

Напруга прямо пропорційна силі струму і обернено пропорційна опору провідника

Запитання 20

Визначіть опір провідника, в якому сила струму дорівнює 30 А при напрузі 60 В.

варіанти відповідей

 2 Ом

  20 Ом

 18 Ом

180 Ом

Запитання 21

Яка одиниця електричної напруги у СІ?

варіанти відповідей

Вольт

Ампер

Кулон

Ом

Запитання 22

Як підключають прилад для вимірювання сили струму в коло?

варіанти відповідей

Послідовно

Паралельно

Будь-як

Порядок підключення неважливий

Запитання 23

Який з приладів вмикається в коло лише паралельно?

варіанти відповідей

Амперметр

Вольтметр

Резистор

Лампочка

Запитання 24

На яких малюнках зображено послідовне з'єднання лампочок?

варіанти відповідей

А

Б

В

Г

Запитання 25

Напругу на кінцях провідника зменшили у три рази. Як зміниться сила струму?

варіанти відповідей

Збільшиться у три рази

Зменшиться у три рази

Не зміниться

Запитання 26

Як зміниться сила струму при збільшенні напруги в колі?

варіанти відповідей

Збільшиться

Зменшиться

Не зміниться

Запитання 27

Як зміниться сила струму в колі при збільшенні опору?

варіанти відповідей

Збільшиться

Зменшиться

Не зміниться

Запитання 28

Визначте напругу в колі при силі струму 30 А і опору 2 Ом.

варіанти відповідей

15 В

30 В

60 В

36 В

Запитання 29

Як під'єднують до ділянок кола вольтметр і амперметр?

варіанти відповідей

Обидва паралельно

Вольтметр послідовно, амперметр паралельно

Вольтметр паралельно, амперметр послідовно

Запитання 30

Якщо при послідовному з’єднанні виходить з ладу один споживач, то інші споживачі … 

варіанти відповідей

Продовжують працювати

Вимикаються

Запитання 31

Формула для обчислення електричної напруги

варіанти відповідей
Запитання 32

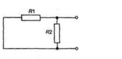
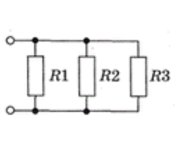
На якій схемі резистори з'єднано послідовно?

варіанти відповідей
Запитання 33

На якій схемі лампочки з'єднані послідовно?

варіанти відповідей
Запитання 34

У разі послідовного з’єднання провідників загальна напруга в колі та напруга в двох провідниках обчислюються за формулою

варіанти відповідей

U=U1+U2

U=U1=U2

I=I1=I2

Запитання 35

У разі послідовного з’єднання провідників загальний опір у в колі та в двох провідниках обчислюються за формулою

варіанти відповідей

U=U1+U2

R=R1+R2

I=I1=I2

Запитання 36

Як з’єднанні лампочки на рисунку?

варіанти відповідей

Паралельно

Послідовно

Мішане з’єднання

Запитання 37

В яких електричних колах резистори з’єднані послідовно

варіанти відповідей
Запитання 38

За напрямок струму в колі прийнятий напрямок руху...

варіанти відповідей

Електронів

Нейтронів

Протонів

Позитивно заряджених частинок

Запитання 39

При збільшенні товщини провідника опір провідника...


варіанти відповідей

зменшується

збільшується

не змінюється

Запитання 40

Пристрій призначений для регулювання сили струму в електричному колі

варіанти відповідей

регідрол

резистор

Реостат

резина

Запитання 41

Як розрахувати опір послідовно з'єднаних провідників, що мають однаковий опір?

варіанти відповідей

R = R1 + R2

R = nR1

1/R = 1/R1 + 1/R2

R = R1/n

Запитання 42

Які формули справедливі для послідовного з'єднання провідників?

варіанти відповідей

І=І12

І=І1+І2

U=U1+U2

U=U1=U2

R=R1+R2

1/R=1/R1+R2

Запитання 43

Укажіть правильно нарисовану схему електричного кола з елементів, що зображені на рисунку?

варіанти відповідей
Запитання 44

Оберіть схему, що відповідає зображенню електричного кола

варіанти відповідей
Запитання 45

Оберіть електричне коло, що відповідає поданій схемі

варіанти відповідей

Створюйте онлайн-тести
для контролю знань і залучення учнів
до активної роботи у класі та вдома

Створити тест