11 кл струм в середовищах

Додано: 10 жовтня 2025
Предмет: Фізика, 11 клас
25 запитань
Запитання 1

1. Електричний струм у розчинах і розплавах електролітів — це:

варіанти відповідей

 а) напрямлений рух позитивних і негативних іонів

б) явище перенесення заряду іонними частинками

в) рух електронів у металі

г) хаотичний рух атомів

Запитання 2

2. Під час електролізу на катоді завжди відбувається:

варіанти відповідей

а) відновлення (приєднання електронів)

б) виділення негативно заряджених частинок

 в) окиснення

г) виділення кисню

Запитання 3

3. Закон Фарадея для електролізу стверджує, що маса речовини, яка виділяється на електроді, прямо пропорційна:

варіанти відповідей

 а) силі струму

б) часу проходження струму

в) температурі електроліту

 г) опору електроліту

Запитання 4

4. Під час електролізу міді з мідного купоросу на катоді:

варіанти відповідей

а) осідає мідь

б) катіони міді приєднують електрони

 в) відбувається окиснення міді

г) виділяється водень

Запитання 5

5. Плазма — це стан речовини, який характеризується:

варіанти відповідей

а) наявністю вільних електронів та йонів

б) електричною нейтральністю в цілому

в) відсутністю електропровідності

г) високою температурою

Запитання 6

6. Електричний струм у плазмі зумовлений рухом:

варіанти відповідей

а) електронів

б) позитивних іонів

 в) нейтральних атомів

г) частково йонізованих частинок

Запитання 7

Електричний струм -......рух частинок, які мають .....заряд...

варіанти відповідей

Упорядкований, електронний

Хаотичний, негативний

Напрямлений, електричний

Неупорядкований, позитивний

Запитання 8

Умови, які потрібні для виникнення електричного струму:

варіанти відповідей

Наявність вільних заряджених частинок

Наявність джерела струму

Наявність електричного струму

Наявність електричного поля

Запитання 9

Які фізичні величини застосовують для опису струму у провіднику?

варіанти відповідей

Сила струму

Тиск

Напруга

Опір

Запитання 10

Тверді або рідкі речовини , які мають йонну провідність - це:

варіанти відповідей

Йони

Луги

Електроліти

Катіони

Запитання 11

Для чого застосовують електроліз?

варіанти відповідей

Для полірування поверхонь

Для заряджання акумуляторів

Для утворення розчинів

Для виробництва електричного струму

Запитання 12

Електричний струм у газах - це:

варіанти відповідей

Газовий заряд

Рекомбінація

Газовий розряд

Йонізований розряд

Запитання 13

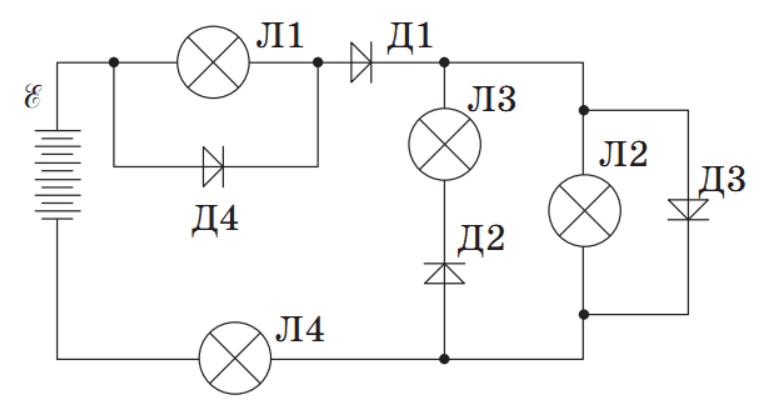
Визнач, яка з лампочок Л1, Л2, Л3 або Л4, зображених на схемі електричного кола, може світитися. Д1,Д2. Д3, Д4 - ідеальні діоди.

варіанти відповідей

Л1

Л2

Л3

Л4

Запитання 14

Як на схемі електричного кола позначають напівпровідниковий діод?

варіанти відповідей
Запитання 15

Зі збільшенням температури опір провідника :

варіанти відповідей

залишається сталим

зменшується

збільшується

Запитання 16

У чому полягає явище електролітичної дисоціації?

варіанти відповідей

В напрямленому русі вільних йонів.

В утворенні йонів, внаслідок дії полярних молекул розчинника.

В хаотичному русі вільних йонів.

Запитання 17

1 закон Фарадея: Маса речовини, яка виділяється на електроді під час електролізу, прямо пропорційна …

варіанти відповідей

…силі струму та часу його проходження через електроліт.

…силі струму та обернено пропорційна часу його проходження через електроліт.

заряду, що пройшов через електроліт


заряду, що пройшов через електроліт та його температурі.


не має правильної відповіді

Запитання 18

Які речовини являються електролітами

варіанти відповідей

 солі

 прості речовини

 основи

органічні речовини

кислоти

кислотні оксиди

Запитання 19

Які процеси сприяють виникненню самостійного розряду у газах?


варіанти відповідей

Електролітична дисоціація

Термоелектронна емісія

Іонізація електронним ударом

Утворення електронних лавин


Вибивання електронів із катода ударами іонів


Вибивання іонів із катода ударами електронів


Запитання 20

За допомогою електролізу отримали рельефні копии. Як називається цей електролітичний спосіб?

варіанти відповідей

Гальваностегія

Гальванопластика

Рафінування

Запитання 21

Вироб покритий тонким шаром металу. Як називається цей електролітичний спосіб?

варіанти відповідей

Гальваностегія

Гальванопластика

Рафінування

Запитання 22

Як називається спосіб очищення металів за допомогою елнктролізу?

варіанти відповідей

Гальванотехніка

Гальваностегія

Гальванопластика

Рафінування

Запитання 23

За якою формулою можна обчислити масу речовини, що виділяється на електроді під час електролізу?

варіанти відповідей
Запитання 24

Хто з вчених встановив закон електролізу?

варіанти відповідей
Запитання 25

В яких з приведених нижче прикладах, застосовують електроліз?

варіанти відповідей

Очищення металів

Виготовлення виробів із пластмаси

 

Обробка дерев'яних поверхонь

Електрофорез

Кування металевих виробів

Створюйте онлайн-тести
для контролю знань і залучення учнів
до активної роботи у класі та вдома

Створити тест