Електричний струм 11кл

Додано: 29 вересня 2025
Предмет: Фізика, 11 клас
Копія з тесту: Електричний струм
34 запитання
Запитання 1

1. Яка формула для роботи електричного струму?

варіанти відповідей

A) А = UIt


B) А = I2R

Запитання 2

2. Потужність струму визначається за формулою:

варіанти відповідей
Запитання 3

3. Яка одиниця вимірювання роботи електричного струму?

варіанти відповідей

A) Джоуль (Дж)

B) Ват (Вт)

Запитання 4

4. Закон Джоуля–Ленца визначає:

варіанти відповідей

A) Кількість тепла, яке виділяється провідником зі струмом

B) Швидкість поширення електричного сигналу

Запитання 5

5. Кількість теплоти, яка виділяється провідником при струмі, обчислюється за формулою:

варіанти відповідей

A) Q=I2Rt

B) Q=UIt

Запитання 6

6. У металах носіями заряду є:

варіанти відповідей

A) Електрони

B) Позитрони

C) Іони

Запитання 7

7. Швидкість дрейфу електронів у провіднику:

варіанти відповідей

A) Дуже велика (порівняна зі швидкістю світла)

B) Дуже мала (частки міліметра за секунду)

Запитання 8

8. Який вираз описує силу струму через концентрацію носіїв заряду?

варіанти відповідей
Запитання 9

9. Чому струм у металі виникає майже миттєво після замикання кола?

варіанти відповідей

A) Тому що електрони відразу починають рухатися з великою швидкістю

B) Тому що електричне поле поширюється дуже швидко по провіднику

Запитання 10

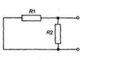
Укажіть співвідношення, яке завжди виконується в разі паралельного з’єднання двох провідників

варіанти відповідей

R1 = R2

U1 = U2

I1 = I2  

Запитання 11

Як під'єднують до ділянок кола вольтметр і амперметр?

варіанти відповідей

Обидва паралельно

Вольтметр послідовно, амперметр паралельно

Вольтметр паралельно, амперметр послідовно

Запитання 12

Формула повного опору при паралельному з'єднанні двох провідників

варіанти відповідей


R = R1 + R2 

R = R1 / R2

R = (R1⋅ R2)/R1 + R2

 R = R2 * R2  

Запитання 13

При паралельному з'єднанні загальна сила струму:

варіанти відповідей

Дорівнює сумі значень на всіх ділянках кола, що містять розгалуження

Така сама, як і на розгалужених ділянках

Менша, ніж на окремих ділянках кола

Прямо пропорційна опору ділянки кола

Запитання 14

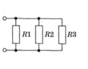
Вкажіть всі зображення, де всі елементи кола з'єднані лише паралельно?

варіанти відповідей
Запитання 15

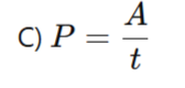
Формула для обчислення електричної напруги

варіанти відповідей
Запитання 16

Паралельним з'єднанням називають

варіанти відповідей

з'єднання провідників, за якого початки всіх провідників приєднуються до різних точок електричного кола, а їх кінці - до інших точок

з'єднання провідників,за якого кінець першого провідника з'єднують з початком другого, кінець другого - з початком третього і тд.

з'єднання провідників, за якого початки всіх провідників приєднуються до однієї точки електричного кола, а їхні кінці - до іншої

з'єднання провідників, яке є комбінацією послідовних і паралельних з'єднань

Запитання 17

В яких одиницях вимірюють силу струму?

варіанти відповідей

вольт (В)

кулон (Кл)

ампер (А)

ом (Ом)

Запитання 18

У разі послідовного з’єднання провідників загальна сила струму в колі та сила струму в двох провідниках обчислюються за формулою

варіанти відповідей

I=I1=I2

I=I1+I2

I=q/t

Запитання 19

У разі послідовного з’єднання провідників загальна напруга в колі та напруга в двох провідниках обчислюються за формулою

варіанти відповідей

U=U1+U2

U=U1=U2

I=I1=I2

Запитання 20

У разі послідовного з’єднання провідників загальний опір у в колі та в двох провідниках обчислюються за формулою

варіанти відповідей

U=U1+U2

R=R1+R2

I=I1=I2

Запитання 21

В яких електричних колах резистори з’єднані послідовно

варіанти відповідей
Запитання 22

Вкажіть буквене позначення електричного заряду

варіанти відповідей

е

q

U

I

Запитання 23

За напрямок струму в колі прийнятий напрямок руху...

варіанти відповідей

Електронів

Нейтронів

Протонів

Позитивно заряджених частинок

Запитання 24

Як з’єднують електричні лампи в кабінеті, щоб при виході із ладу однієї лампи інші працювали? 

варіанти відповідей

послідовно

паралельно

змішано

Запитання 25

При збільшенні товщини провідника опір провідника...


варіанти відповідей

зменшується

збільшується

не змінюється

Запитання 26

Пристрій призначений для регулювання сили струму в електричному колі

варіанти відповідей

регідрол

резистор

Реостат

резина

Запитання 27

Укажіть співвідношення, яке завжди виконується в разі паралельного з’єднання двох провідників. 

варіанти відповідей

U1 = U  

R1 = R2  

I1 = I2 

R1 = 2R2  

Запитання 28


Чому дорівнює загальна напруга на паралельно з'єднаних ділянках кола? 

варіанти відповідей

U = U1 = U      

U = U1 + U      

U = U1 – U      

U = U1 × U 

Запитання 29

При якому типі з'єднання електроенергія використовується найбільш економно?

варіанти відповідей

При послідовному

При паралельному

Це не залежить від типу з'єднання

Запитання 30

Літера, якою позначається електричний опір ...

варіанти відповідей

I

U

R

S

Запитання 31

Які формули справедливі для послідовного з'єднання провідників?

варіанти відповідей

І=І12

І=І1+І2

U=U1+U2

U=U1=U2

R=R1+R2

1/R=1/R1+R2

Запитання 32

Електричний опір - це фізична величина, яка характеризує:

варіанти відповідей

 існування електричного струму в провіднику

протидію електричного струму в провіднику

протікання електричного струму в провіднику

 роботу електричного струму в провіднику

Запитання 33

За допомогою якої формули можна обчислити опір ділянки кола, яка складається з кількох паралельно з’єднаних провідників? 

варіанти відповідей

R=R1+R2

R=R1 - R2

R=R1×R2

1/R=1/R1+1/R2

Запитання 34

Формула для обчислення електричної напруги

варіанти відповідей

Створюйте онлайн-тести
для контролю знань і залучення учнів
до активної роботи у класі та вдома

Створити тест