Вимірювання опору провідника за допомогою амперметра та вольтметра

Додано: 25 лютого
Предмет: Фізика, 8 клас
26 запитань
Запитання 1

Як називається фізична величина, що характеризує електричний струм і чисельно дорівнює заряду, який проходить через попереч ний переріз провідника за одиницю часу?

варіанти відповідей

Сила струму

Потужність

Напруга

Робота

Запитання 2

Умовне позначення вольтметра на електричних схемах.

варіанти відповідей
Запитання 3

Оберіть правила вимірювання сили струму амперметром.

варіанти відповідей

Клему амперметра, біля якої стоїть знак «-», потрібно з’єднувати з проводом, що йде від позитивного полюса джерела струму, клему зі знаком «+» — із проводом, що йде від негативного полюса.

Амперметр вмикають у коло паралельно з тим споживачем, у якому необхідно виміряти силу струму.

Амперметр вмикають у коло послідовно з тим споживачем, у якому необхідно виміряти силу струму.

Клему амперметра, біля якої стоїть знак «+», потрібно з’єднувати з проводом, що йде від позитивного полюса джерела струму, клему зі знаком «–» — із проводом, що йде від негативного полюса.

Можна приєднувати амперметр до кола, в якому відсутній споживач струму.

Не можна приєднувати амперметр до кола, в якому відсутній споживач струму, — це може призвести до псування обладнання або пожежі.

Запитання 4

Яким приладом вимірюють напругу?

варіанти відповідей

Амперметр

Вольтметр

Електрометр

Омметр

Запитання 5

Що характеризує електрична напруга?

варіанти відповідей

Електричний стру­м

Заряд, що пройшов через поперечний переріз провідника

Роботу струму з переміщення заряду

Властив­сть пров­дника протид­яти проходженню електричного струму

Запитання 6

Умовне позначення амперметра на електричних схемах.

варіанти відповідей
Запитання 7

Яку напругу показує вольтметр, зображений на рисунку? 

варіанти відповідей

1,3 А

1,3 В

1,6 В

16 В

1,6 А

не знаю

Запитання 8

В яких одиницях вимірюють електричну напругу?

варіанти відповідей

Амперах (А)

Вольтах (В)

Джоулях(Дж)

Кулонах(КЛ)

Запитання 9

Який елемент електричного кола зображено на малюнку?

варіанти відповідей

Ключ

Нагрівальний елемент

Резистор

Запобіжник

Запитання 10

Так на електричній схемі позначається:

варіанти відповідей

Резистор

Лампочка

Акумулятор

Амперметр

Запитання 11

Амперметр вмикається у коло:

варіанти відповідей

Послідовно

Паралельно

Послідовно і паралельно

Не можна вмикати

Запитання 12

який елемент кола зображено на малюнку

варіанти відповідей

лампочка

джерело струму

ключ

резистор

Запитання 13

Напруга визначається за формулою


варіанти відповідей

q/t

A/t

A/q

I*t

Запитання 14

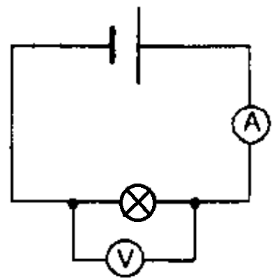
На якому рисунку зображено правильне підключення амперметра та вольтметра?

варіанти відповідей
Запитання 15

Якою формулою обчислюють силу струму в колі?

варіанти відповідей
Запитання 16

Силу струму вимірюють

варіанти відповідей

Амперметром

Гальванометром

Гальванічним елементом

Електрометром

Запитання 17

Який прилад зображено на малюнку, та визначте його покази

варіанти відповідей

амперметр. 5В

вольтметр 4,8 В

вольтметр 4,8 А

міліамперметр 4,8 мВ

амперметр 5А

вольтметр 6 В

Запитання 18

Назвіть позначення елементів електричного кола.

варіанти відповідей

А - гальванічний елемент

Б - електрична лампа

В - резистор

Г - ключ

Д - електричний дзвінок

А - резистор

Б - електрична лампа

В - гальванічний елемент

Г - ключ

Д - електричний дзвінок

А - ключ

Б - резистор

В - гальванічний елемент

Г - електрична лампа

Д - електричний дзвінок

А - резистор

Б - електричний дзвінок

В - гальванічний елемент

Г - електрична лампа

Д - ключ

Запитання 19

Скільки помилок і неточностей допущено в схемі

варіанти відповідей

одна

три

дві

жодної

Запитання 20

На рисунку подано шкалу вимірювального приладу. Визначте показ цього приладу.

варіанти відповідей

1,2 В

1,4 В

1,5 В

1,5 А

1,4 А

1,2 А

Запитання 21

Яку силу струму показує амперметр, зображений на рисунку? 

варіанти відповідей

2 мА

8 мА

2 мкА

8 мкА

Запитання 22

На якому рисунку зображено правильне підключення амперметра? 

варіанти відповідей
Запитання 23

На якому рисунку зображено правильне підключення амперметра та вольтметра? 

варіанти відповідей
Запитання 24

Яку напругу показує вольтметр, зображений на рисунку? 

варіанти відповідей

3 В

2 А

2 Кл

3 Дж

Запитання 25

Використовуючи таблицю питомих електричних опорів, укажіть правильне розташування речовин у порядку зростання їх питомих опорів.

варіанти відповідей

олово, срібло, графіт, залізо

залізо, срібло, графіт, олово

срібло, залізо, олово, графіт

графіт, олово, залізо, срібло

Запитання 26

Довжина провідника збільшилась у два рази. Як змінився опір провідника?

варіанти відповідей

опір провідника збільшився в два рази

опір провідника залишився незмінним

опір провідника зменшився в два рази

опір провідника збільшився в чотири рази

Створюйте онлайн-тести
для контролю знань і залучення учнів
до активної роботи у класі та вдома

Створити тест